DY620E electrical wheel loader
TAIAN electric power mini loader, the DY620E, is a zero emission, low noise and hydrostatic telescopic wheel loader, it’s full-electric drive, battery-powered compact loader, which can perfect to replace fuel machine in multiple working area.

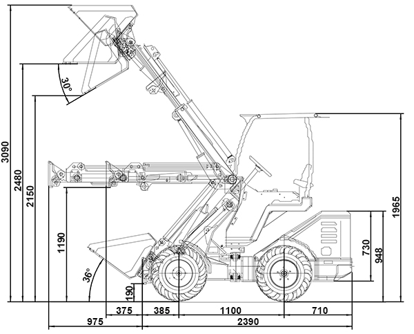
OVER DIMENSIONS WEIGHT
2390mm*980mm*1965mm 1500kg
RATED LOAD LIFTING HEIGHT SPEED
500KG-800KG 2750MM 8km/h



PRODUCT FEATURE
Ø Battery driven, 100% full electric;
Ø Lead-acid batteries;
Ø 300 Ah/12kWh battery capacity;
Ø External battery charger;
Ø No exhaust emissions;
Ø Low noise;
Ø Hydrostatic 4WD;
Ø Italian PWG brand drive motor;
Ø Auxiliary hydraulics oil flow max. 30L/min;
Ø 1 way hydraulic output with 1 electric output on the front;
Ø Hydraulic oil cooler;
Ø Telescopic boom;
Ø Handbrake parking brake;
Ø ROPS + FOPS canopy;
2 front &1 rear LED work lights;

Taian Tengyu Heavy Industrial Co., Ltd(Which was called Taian Dongyue Carrying Machinery Co., Ltd before)has more than 10 years' experience with production of all kinds of loaders,and is the first one in China who starts to manufacture multifunctional telescopic wheel loaders in China…